联系电话:
400-966-9098
产品详情
产品概述
金属波纹补偿器又叫膨胀节,或伸缩节。由构成其工作主体的波纹管(一种弹性元件)和端管、支架、法兰、导管等附件组成。属于一种补偿元件。利用其工作主体波纹管的有效伸缩变形,以吸收管线、导管、容器等由热胀冷缩等原因而产生的尺寸变化,或补偿管线、导管、容器等的轴向、横向和角向位移。也可用于降噪减振。
产品特点
膨胀节由一个波纹管和两个接管构成,它通过波纹管的柔性变形来吸收轴向位移(也有少量的横向、角向位移),有接管联接和法兰联接两种形式。膨胀节上的小拉杆主要是运输过程中的刚性支撑或作为产品预变形时调节尺寸用,不是承力件。该类膨胀节不能约束管道的压力推力,压力推力有两侧主固定管架承受。

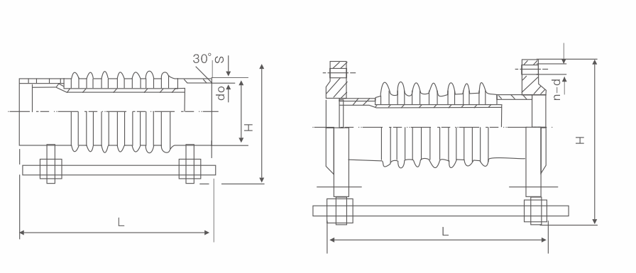
主要外形连接尺寸
通径 DN | 波数 | 压力等级 Mpa | 滤纹管有效面积 cm² | **外径尺寸 mm | 长度L | |||||
| 0.25 | 0.6 | 1.0 | 1.6 | 2.5 | ||||||
| 轴向补偿量 mm/ 刚度 N/mm | 法兰JDZ/F(mm) | 接管JDF/J(mm) | ||||||||
| 32 | 8 | 25/21 | 22/26 | 20/26 | 18/63 | 15/98 | 16 | 225 | 160/250 | 264/280 |
| 16 | Nov-50 | 46/14 | 41/14 | 36/32 | 31/47 | 244/291 | 316/321 | |||
| 40 | 8 | 25/28 | 22/44 | 20/44 | 18/89 | 15/106 | 23 | 244 | 164/259 | 269/289 |
| 16 | 50/14 | 46/22 | 41/22 | 36/45 | 31/55 | 230/304 | 319/334 | |||
| 50 | 8 | 25/30 | 22/51 | 20/70 | 18/70 | 15/138 | 67 | 259 | 172/276 | 282/306 |
| 16 | 50/16 | 46/26 | 41/35 | 36/35 | 31/70 | 240/342 | 347/372 | |||
| 65 | 8 | 33/28 | 30/35 | 26/44 | 22/55 | 19/68 | 55 | 270 | 215/294 | 300/322 |
| 12 | 42/16 | 38/22 | 38/32 | 34/40 | 29/50 | 260/334 | 340/362 | |||
| 80 | 8 | 40/20 | 36/26 | 34/33 | 28/41 | 24/54 | 81 | 284 | 240/338 | 344/366 |
| 10 | 53/14 | 49/17 | 49/21 | 43/26 | 38/33 | 270/368 | 374/390 | |||
| 100 | 6 | 45/47 | 45/60 | 40/75 | 35/93 | 29/117 | 121 | 304 | 235/317 | 323/345 |
| 10 | 76/26 | 74/32 | 64/40 | 57/50 | 49/63 | 305/381 | 387/409 | |||
| 125 | 5 | 48/38 | 42/47 | 38/59 | 34/74 | 29/92 | 180 | 334 | 282/314 | 316/342 |
| 9 | 85/23 | 77/29 | 66/36 | 58/45 | 50/56 | 382/386 | 388/414 | |||
| 150 | 5 | 49/42 | 44/50 | 40/62 | 34/78 | 29/97 | 257 | 364 | 282/389 | 338/367 |
| 8 | 79/34 | 71/43 | 64/51 | 54/59 | 46/65 | 356/399 | 402/427 | |||
| 200 | 4 | 52/49 | 46/55 | 42/68 | 38/78 | 34/111 | 479 | 442 | 280/384 | 348/372 |
| 6 | 73/31 | 65/44 | 59/52 | 53/58 | 48/78 | 340/402 | 402/426 | |||
| 250 | 4 | 72/30 | 65/34 | 59/42 | 52/45 | 47/55 | 796 | 507 | 315/379 | 415/379 |
| 6 | 108/16 | 97/21 | 87/35 | 79/39 | 71/47 | 393/459 | 493/399 | |||
| 300 | 4 | 72/51 | 65/55 | 59/59 | 52/65 | 47/71 | 1105 | 562 | 366/427 | 466/467 |
| 6 | 108/32 | 97/35 | 87/37 | 79/41 | 71/45 | 464/525 | 564/565 | |||
| 350 | 4 | 72/58 | 65/62 | 59/67 | 52/74 | 47/81 | 1307 | 622 | 397/452 | 497/492 |
| 6 | 108/38 | 97/41 | 87/44 | 79/48 | 71/47 | 509/564 | 609/604 | |||
| 400 | 4 | 72/54 | 65/58 | 59/62 | 52/68 | 47/75 | 1611 | 700 | 412/478 | 512/518 |
| 6 | 108/36 | 97/39 | 87/43 | 79/47 | 71/52 | 522/588 | 622/628 | |||
| 450 | 4 | 108/32 | 97/35 | 87/37 | 79/41 | 71/45 | 1972 | 760 | 503/498 | 503/523 |
| 6 | 162/20 | 145/22 | 131/23 | 118/25 | 106/28 | 503/658 | 603/648 | |||
| 500 | 4 | 108/59 | 97/64 | 87/68 | 79/75 | 71/82 | 2445 | 835 | 431/523 | 531/554 |
| 6 | 162/34 | 145/37 | 131/39 | 118/43 | 106/48 | 531/655 | 631/742 | |||
| 600 | 4 | 108/74 | 97/80 | 87/85 | 79/94 | 71/103 | 3534 | 980 | 478/548 | 578/588 |
| 6 | 162/42 | 145/45 | 131/49 | 118/53 | 106/60 | 658/679 | 758/781 | |||
| 700 | 4 | 108/67 | 97/72 | 87/77 | 79/85 | 71/95 | 4717 | 1110 | 490 | 590 |
| 6 | 162/42 | 145/45 | 131/49 | 118/53 | 106/60 | 690 | 790 | |||
| 800 | 4 | 120/88 | 108/95 | 102/102 | 94/112 | 82/123 | 5822 | 1265 | 502 | 602 |
| 6 | 183/67 | 164/72 | 156/77 | 144/85 | 125/93 | 610 | 710 | |||
| 900 | 4 | 120/84 | 108/90 | 102/97 | 94/107 | 82/117 | 7620 | 1186 | 689 | |
| 6 | 183/60 | 164/65 | 156/69 | 144/76 | 125/84 | 850 | ||||
| 1000 | 4 | 120/90 | 108/98 | 102/105 | 94/116 | 9043 | 1286 | 692 | ||
| 6 | 183/59 | 164/65 | 156/71 | 144/81 | 855 | |||||

:13372267205


