联系电话:
400-966-9098
气动扇形盲板阀
产品概况
产品型号:F643X
公称通径:DN300~1600mm
公称压力:PN0.05~0.25MPa
适用温度:≤450℃
适用介质:煤气及有毒、有害、易燃气体
主要材料:碳钢、不锈钢、硅橡胶
驱动方式:电动、液动、气动、电液动
设计标准:API 600、API6D、ASME B16.34、GB/T 12234
结构长度:ASME B16.10、API6D、GB/T 12221
连接标准:ASME B16.5、ASME B16.47、GB/T 9113、JB/T 79、HG/T 20592
压力试验:API 598、GB/T 13927、JB/T 9092
压力-温度等级:ASME B16.34 、GB/T 12224
产品概述
气动扇形盲板阀主要由左阀体、右阀体、阀杆、闸板、密封圈、气动推杆等零件组成,并由底座、支撑柱构成一个刚性结构体。密封部位采用不锈钢与橡胶密封圈,密封性能好,使用寿命长,密封圈设置闸板上,易于维护时更换密封圈,橡胶密封圈镶钳在闸板上。气动推杆盲板阀可以单台远距离控制,亦可多台联网远距离控制,非正常情况下还可以利用阀门本身装置手动操作。广泛适用于工矿企业、环境保护等行业的煤气、有毒气体介质管道中,作为可靠的切断装置。
结构特点
1、本阀由左右阀体、扇形阀板、不锈钢波纹管、驱动装置、夹紧装置等部件组成;
2、阀体采用三点式锁紧扇形阀板结构;
3、密封部位采用不锈钢与橡胶密封圈,密封性能可靠,从而增加密封圈的使用寿命,密封圈设在阀板上,便于维护时更换密封圈;
4、执行器操作、工作平稳、启闭灵活、动作可靠;
5、夹紧动作采用丝杆螺母副进行夹紧,自锁性好;
6、盲板阀设有不锈刚波纹管,***有伸缩性强、使用寿命长等到优点。
工作原理
1、阀门由开启到阀关闭:
夹紧电机动作,带动丝杆作逆时针转动,阀体松开到位(指标灯显示),驱动电机动作,带动闸板作逆时针转动到位,闸板关闭到位(指示灯显示),夹紧电机动作,带动丝杆作顺时针转动,阀体夹紧到位(指示灯显示)完成阀门由开启到关闭的全过程。
2、阀门由关闭到开启:
夹紧电机动作,带动丝杆作逆时针转动,阀体松开到位(指标灯显示),驱动电机动作,带动闸板作顺时针转动,闸板开启到位,( 指示灯显示)完成阀门由关闭到开启的全过程。

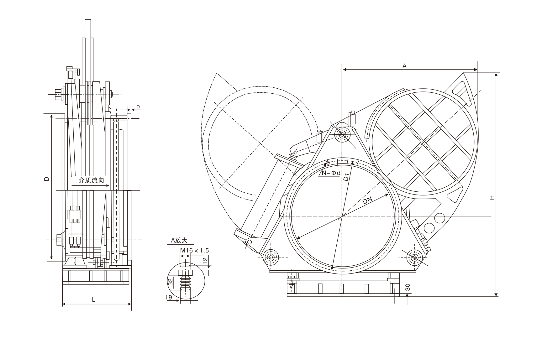
主要外形连接尺寸
| DN | L | D | D1 | A | H | b | n-Φd | 重量kg | |||
| PN0.05 | PN0.10 | PN0.15 | PN0.25 | ||||||||
| 300 | 450 | 440 | 395 | 480 | 720 | 16 | 12-φ22 | 255 | 280 | ||
| 350 | 450 | 490 | 445 | 520 | 810 | 16 | 12-φ22 | 285 | 310 | ||
| 400 | 450 | 540 | 495 | 600 | 920 | 16 | 16-φ22 | 300 | 330 | ||
| 450 | 500 | 595 | 550 | 658 | 995 | 16 | 16-φ22 | 350 | 380 | ||
| 500 | 500 | 645 | 600 | 712 | 1102 | 20 | 20-φ22 | 400 | 440 | ||
| 600 | 600 | 755 | 705 | 920 | 1500 | 20 | 20-φ26 | 500 | 550 | ||
| 700 | 600 | 860 | 810 | 970 | 1600 | 20 | 24-φ26 | 580 | 630 | ||
| 800 | 800 | 975 | 920 | 1100 | 1850 | 35 | 24-φ30 | 1500 | 1650 | ||
| 900 | 800 | 1075 | 1020 | 1200 | 1980 | 35 | 24-φ30 | 1800 | 1980 | ||
| 1000 | 800 | 1175 | 1120 | 1320 | 2200 | 35 | 28-φ30 | 2100 | 2300 | ||

:13372267205


