联系电话:
400-966-9098
产品详情

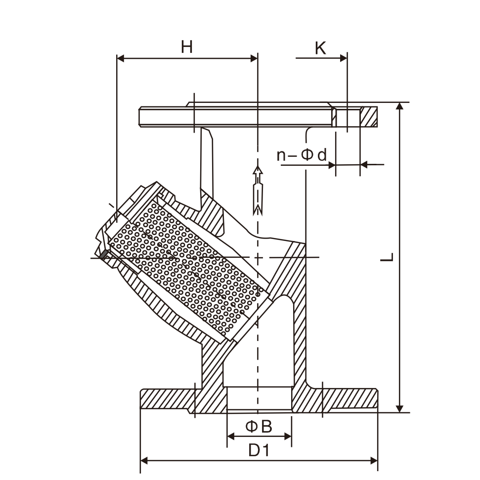
主要外形尺寸
DN(mm) | NPS(in) | L | H | K | D1 | n-Φd |
80 | 3 | 305 | 96 | 160 | 200 | 8-18 |
100 | 4 | 314 | 220 | 180 | 220 | 8-18 |
125 | 5 | 398 | 235 | 210 | 245 | 8-18 |
150 | 6 | 470 | 250 | 240 | 280 | 8-22 |
200 | 8 | 543 | 330 | 295 | 338 | 12-22 |

主要外形尺寸
DN(mm) | NPS(in) | L | H | K | D1 | n-Φd |
80 | 3 | 305 | 96 | 160 | 200 | 8-18 |
100 | 4 | 314 | 220 | 180 | 220 | 8-18 |
125 | 5 | 398 | 235 | 210 | 245 | 8-18 |
150 | 6 | 470 | 250 | 240 | 280 | 8-22 |
200 | 8 | 543 | 330 | 295 | 338 | 12-22 |