联系电话:
400-966-9098
产品详情
产品概述
气动浮动球阀阀体通道和连接管径相等并成一直径,介质几乎可以毫无损失的流过。产品通常用于密封要求严格的场合,除控制气体、液体、蒸过汽介质外,还适宜控制污水和含有纤维性杂质的介质,广泛用于石油、化工、冶金、轻工、造纸、电站、制冷等工作领域。
产品特点
1、O型浮动式球阀采用全通径或缩径设计,流通阻力小。
2、阀门采用高平台结构,ISO5211连接标准,能使安装电/气动执行器更为专业化。
3、阀杆采用内装式,轴肩及聚四氟乙烯(或增强石墨)推力垫结构防止阀杆因管道内压力 而吹出,同时聚四氟乙烯(或增强石墨)材料减小阀门的启闭扭矩,使操作更为省力。
4、***有防火防静电结构,在阀杆与阀体及阀杆与球体之间设置导电弹簧,避免因静电打火点燃易燃介质。确保系统安全。
5、耐火结构双重保护,当万一发生火灾而使密封圈烧损时,球阀的各个密封部位均能形成金属对金属的硬密封结构。
主要零件材料
| 序号 | 零件名称 | 材质 | |
| GB | ASTM | ||
| 1 | 阀体 | CF8 | A216-WCB |
| 2 | 密封圈 | PTFE | PTFE |
| 3 | 球体 | 1C18Ni9Ti | SS304 |
| 4 | 螺母 | 35 | A194-2H |
| 5 | 螺柱 | 35CrMoA | A193-B7 |
| 6 | 石体 | WCB | A216-WCB |
| 7 | 垫片 | 柔性石墨+不锈钢 | B12.10-304F/.G |
| 8 | 填料 | PTFE | PTFE |
| 9 | 填料压盖 | WCB | A216-WCB |
| 10 | 定位片 | 25 | A105 |
| 11 | 挡圈 | 65Mn | AISI 1066 |
| 12 | 手柄 | K33 | A47-667 Gr.32510 |
| 13 | 阀杆 | 1Cr33 | A276-410 |
| 14 | 螺钉 | 35 | A193-B7 |
| 15 | 止推垫片 | PTFE | PTFE |
主要技术规范
| 公称通径DN(mm) | 15-200 | |||
| 公称压力PN(MPa) | 1.6 | |||
| 公称压力PS(MPa) | 强度试验 | 2.4 | ||
| 密封试验 | 1.76 | |||
| 材料\材料代号 | C | P | R | |
| 主要零件 | 阀体 | WCB | ZG1Cr18Ni9Ti | ZG0Cr18Ni12Mo2Ti |
| 蝶板 | 2CR13 | 1Cr18Ni9Ti | 1Cr18Ni12Mo2Ti | |
| 阀杆 | 2CR13 | 1Cr18Ni9Ti | 1Cr18Ni12Mo2Ti | |
| 密封圈 | 增强聚四氟乙烯 对位聚苯 | |||
| 填料 | 聚四氟乙烯 柔性石墨 | |||
| 适用工况 | 适用介质 | 水、蒸汽、油品 | 硝酸类 | 醋酸类 |
| 适用温度 | -28℃~300℃ | |||
| 执行器 | 型号 | BAW系列、GT系列、SW系列 | ||
| 气源压力 | 0.4-0.7MPA | |||

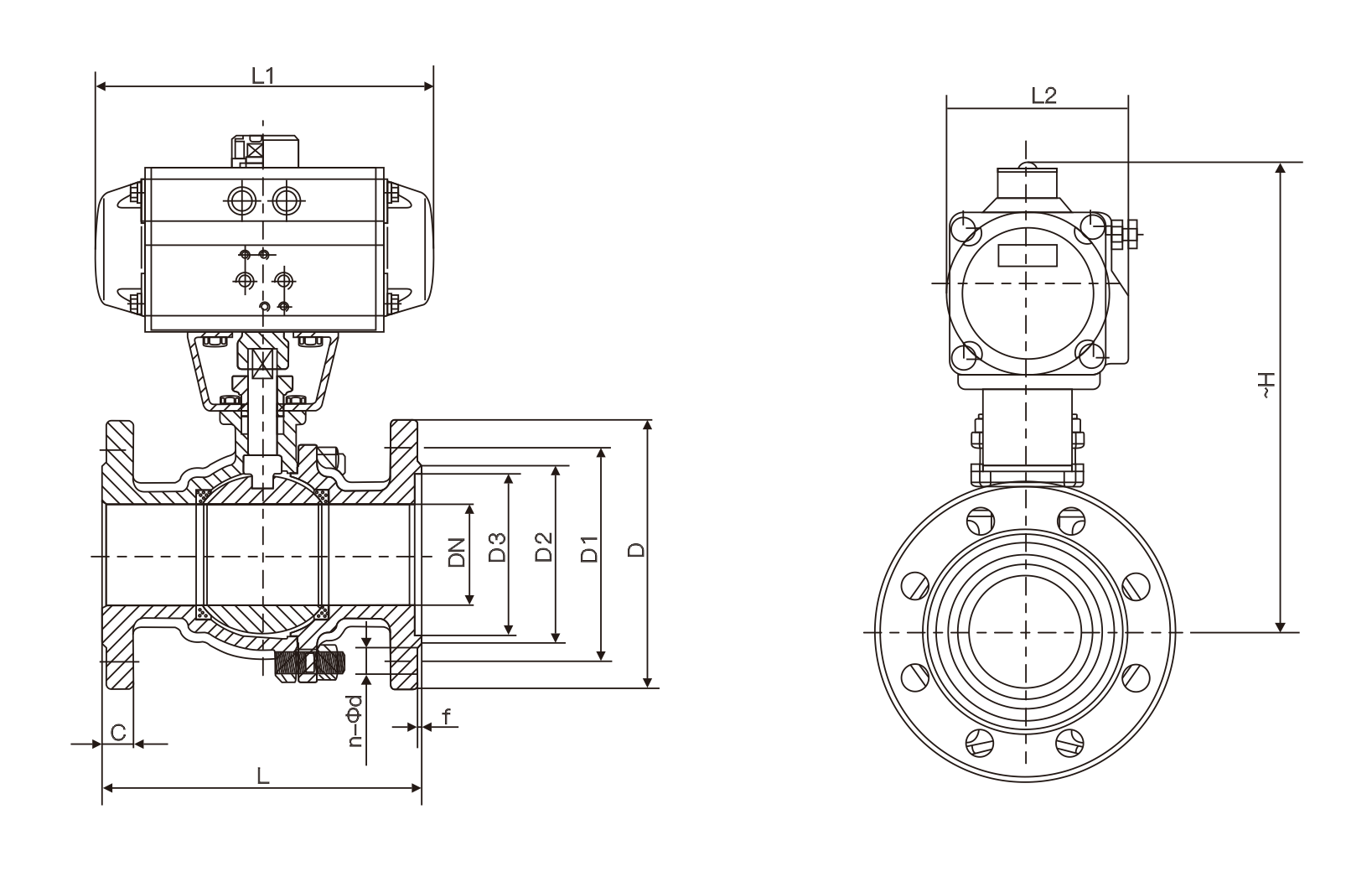
主要外形连接尺寸
| 公称通径DN(mm) | 外形尺寸 | 连接法兰尺寸 | ||||||||
| L | L1 | L2 | H | D | D1 | D2 | C | f | n-Φd | |
| 15 | 130 | 141/159 | 71/83 | 204/235 | 95 | 65 | 45 | 16 | 2 | 4-Φ14 |
| 20 | 130 | 141/159 | 71/83 | 209/240 | 105 | 75 | 58 | 18 | 2 | 4-Φ14 |
| 25 | 140 | 159/211 | 83/95 | 214/256 | 115 | 85 | 68 | 18 | 2 | 4-Φ14 |
| 32 | 165 | 159/248 | 83/107 | 257/277 | 140 | 100 | 78 | 18 | 2 | 4-Φ18 |
| 40 | 165 | 211/248 | 95/107 | 274/292 | 150 | 110 | 88 | 18 | 3 | 4-Φ18 |
| 50 | 203 | 248/269 | 107/123 | 290/300 | 165 | 125 | 102 | 18 | 3 | 4-Φ18 |
| 65 | 222 | 248/315 | 107/141 | 310/335 | 185 | 145 | 122 | 18 | 3 | 4-Φ18 |
| 80 | 241 | 269/345 | 123/152 | 346/368 | 200 | 160 | 138 | 20 | 3 | 8-Φ18 |
| 100 | 305 | 345/409 | 152/172 | 378/410 | 220 | 180 | 158 | 20 | 3 | 8-Φ18 |
| 125 | 356 | 409/550 | 172/215 | 425/450 | 250 | 210 | 188 | 22 | 3 | 8-Φ18 |
| 150 | 394 | 550/600 | 215/240 | 468/531 | 285 | 240 | 212 | 22 | 3 | 8-Φ22 |
| 200 | 457 | 600/633 | 240/262 | 583/618 | 340 | 295 | 268 | 24 | 3 | 12-Φ22 |

:13372267205


