联系电话:
400-966-9098
产品概述
可曲挠单球橡胶接头是橡胶连接件的一种,由内胶层、锦纶帘子布增强、外胶层复合的橡胶球体和松套金属法兰组成。***有耐压高、弹性好、位移量大、平衡管道偏差、吸收振动、降低噪音效果好、安装方便等特点。广泛用于化工、建筑、给水、排水、石油、轻 重工业、冷冻、卫生、水暖、消防、电力等基础工程。
产品特点
1、橡胶接头可大大降低管道系统的震动和噪声,可根本上解决各类管路的接口位移,轴向伸缩及不同心度等问题。
2、根据材料不同橡胶接头可制成耐酸、耐碱、耐腐蚀、耐油、耐热等各类品种,适应多种介质和环境。
3、橡胶接头材料属极性橡胶,密封性好,重量轻,安装维修方便、使用寿命长,但避免与锋利金属器械接触,以免刺破球体。
4、如橡胶接头架空使用可配弹性支架,安装时螺栓要用对角法上紧。
5、如橡胶接头管路压力过高时,应用极限螺栓将两端法兰连在一起。
主要零部件材料
项目 | 型号 | KXT-1 | KXT-2 | KXT-3 |
工作压力MPa(kgf/cm2) | 1.0(10) | 1.6(16) | 2.5(25) | |
爆破压力MPa(kgf/cm2) | 2.0(20) | 3.0(30) | 4.5(45) | |
真空度KPa(mm/Hg) | 53.3(400) | 86.7(650) | 100(750) | |
适用温度℃ | -15~+115,特殊可达-30~+250 | |||
适用介质 | 空气、压缩空气、水、海水、热水、油、酸、碱等 | |||

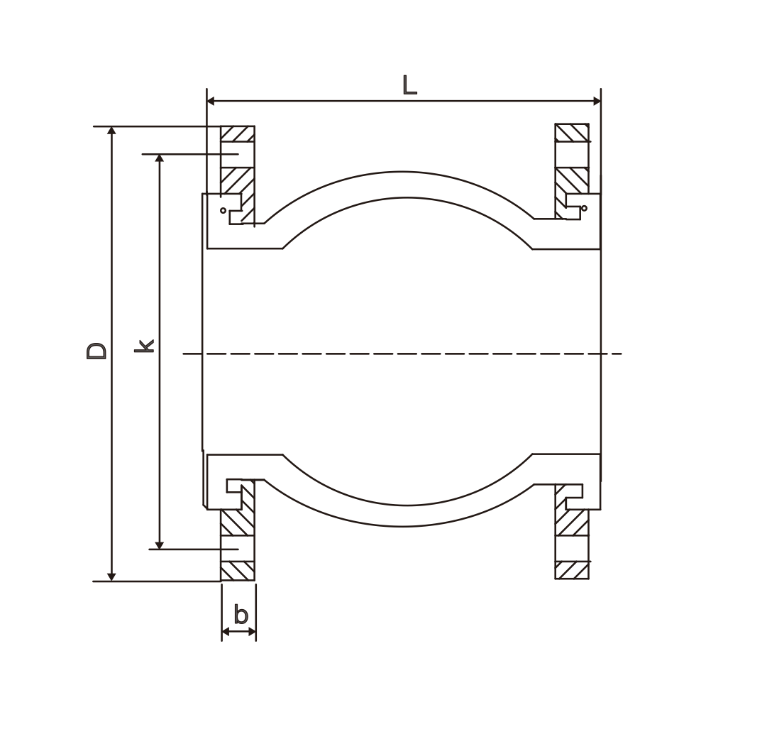
主要外形尺寸
| 公称通径DN | 长度 L | 法兰厚度 b | 螺栓数量 | 螺栓孔直径 mm | 螺栓孔中心圆直径K mm | 轴向位移mm | 横向位移 mm | 偏转角度 (a1+a2) | ||
| mm | 英寸 | 伸长 | 压缩 | |||||||
| 32 | 1.25 | 95 | 16 | 4 | 18 | 100 | 6 | 9 | 9 | 15° |
| 40 | 1.5 | 95 | 18 | 4 | 18 | 110 | 6 | 10 | 9 | 15° |
| 50 | 2 | 105 | 18 | 4 | 18 | 125 | 7 | 10 | 10 | 15° |
| 65 | 2.5 | 115 | 20 | 4 | 18 | 145 | 7 | 13 | 11 | 15° |
| 80 | 3 | 135 | 20 | 4 | 18 | 160 | 8 | 15 | 12 | 15° |
| 100 | 4 | 150 | 22 | 8 | 18 | 180 | 10 | 19 | 13 | 15° |
| 125 | 5 | 165 | 24 | 8 | 18 | 210 | 12 | 19 | 13 | 15° |
| 150 | 6 | 180 | 24 | 8 | 23 | 240 | 12 | 20 | 14 | 15° |
| 200 | 8 | 210 | 24 | 8 | 23 | 295 | 16 | 25 | 22 | 15° |
| 250 | 10 | 230 | 26 | 12 | 23 | 350 | 16 | 25 | 22 | 15° |
| 300 | 12 | 245 | 28 | 12 | 23 | 400 | 16 | 25 | 22 | 15° |
| 350 | 14 | 255 | 28 | 16 | 23 | 460 | 16 | 25 | 22 | 15° |
| 400 | 16 | 255 | 30 | 16 | 25 | 515 | 16 | 25 | 22 | 15° |
| 450 | 18 | 255 | 30 | 20 | 25 | 565 | 16 | 25 | 22 | 15° |
| 500 | 20 | 255 | 32 | 20 | 25 | 620 | 16 | 25 | 22 | 15° |
| 600 | 24 | 260 | 36 | 20 | 30 | 725 | 16 | 25 | 22 | 15° |
| 700 | 28 | 260 | 36 | 24 | 30 | 840 | 16 | 25 | 22 | 15° |
| 800 | 32 | 260 | 38 | 24 | 34 | 950 | 16 | 25 | 22 | 15° |
| 900 | 36 | 260 | 42 | 28 | 34 | 1050 | 16 | 25 | 22 | 15° |
| 1000 | 40 | 260 | 44 | 28 | 34 | 1160 | 18 | 26 | 24 | 15° |
| 1200 | 48 | 260 | 48 | 32 | 41 | 1380 | 18 | 26 | 24 | 15° |
| 1400 | 56 | 350 | 44 | 36 | 34 | 1560 | 20 | 28 | 26 | 15° |
| 1600 | 64 | 350 | 46 | 40 | 34 | 1760 | 25 | 35 | 30 | 10° |
| 1800 | 72 | 350 | 52 | 44 | 41 | 1970 | 25 | 35 | 30 | 10° |
| 2000 | 80 | 420 | 54 | 48 | 48 | 2180 | 25 | 35 | 30 | 10° |
| 2200 | 88 | 420 | 60 | 52 | - | 2390 | 25 | 35 | 30 | 10° |
| 2400 | 96 | 420 | 62 | 56 | - | 2600 | 25 | 35 | 30 | 10° |
| 2600 | 104 | 450 | 64 | 60 | - | 2810 | 25 | 35 | 30 | 10° |
| 2800 | 112 | 450 | 68 | 64 | - | 3020 | 25 | 35 | 30 | 10° |
| 3000 | 120 | 500 | 70 | 68 | - | 3220 | 25 | 35 | 30 | 10° |

:13372267205


